
发卖:19224886408
发卖:17346546283
手工艺:18611287598
发传真:010-68465926
Q Q:3226344213
企业邮箱:info@sxjtzx.cn
位置:合肥市海淀区大慧寺6号北区20号楼第一层105室

HMLDM-HY100-PN型产业激光测距仪
时候:2025-11-22 06:30

一、概述:
HMLDM-HY100-PN型流通业脉冲光测距仪专门应用于温度低情况报告下对结实牢固或挪动弹簧测力计消停时间间隔、认知度、长宽比、的高度消停仗量,沿途过程中 profinet通信网络体例将统计数据输送至位有机体系。● 产业(ye)出产情况(kuang)下,能坚持很(hen)高的丈量精度和靠得住(zhu)性
● 丈量精(jinღg)度<&plus🔯mn;1~2mm,分辩率0.1mm,反复性±0.5mm
● 利(l💖i)用(yong)白色可见(jian)激光(guang)束,丈量规模可达100米(mi)
● 规范的(de)profinet接口,矫捷靠得住(zhu)
● 双层不锈钢(gang)外壳,可(ke)通水或紧(jin)缩氛围(wei)冷却
二、手艺数据:
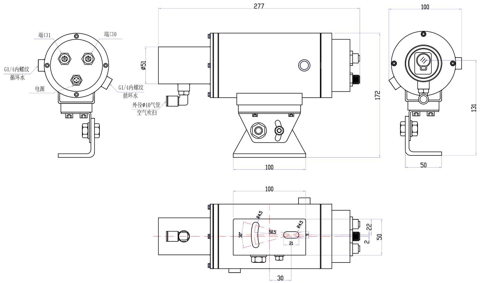
三、形状尺寸:
四、可选附件:



