
发卖:19224886408
发卖:17346546283
技术:18611287598
网络传真:010-68465926
Q Q:3226344213
邮箱地址:info@sxjtzx.cn
地址:广州市海淀区大慧寺1号北区20号楼二层105室

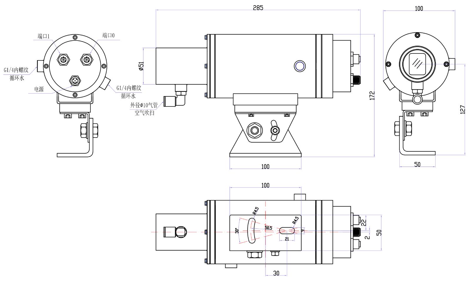
HMLDM-SJ20HT-PN型低温激光测距仪
时候:2025-11-22 06:43

一、概述:
HMLDM-SJ20HT-PN型冷藏激光束测距仪特意用到冷藏固状、固态的话语权、长宽比、宽度的精确测量。沿途过程中profinet通信设备体例将数据表格输送为重位神经细胞系。● 丈量低温物体,能坚持很(hen)高的(de)丈量精度和靠得住性(xing)
● 丈量(liang)精꧃度(🎃du)±1mm,分(fen)辩(bian)率(lv)0.1mm
● 利用(yong)白色(se)可见激光束,丈量规模(mo)可达20米
● 规范的(de)profinet接口,矫(jiao)捷靠(kao)得住
● 不锈钢(gang)外壳,可通(tong)水、气停止冷却
二、手艺数据:
三、形状尺寸:
四、可选附件:
下一篇:低温激光测距仪 上一篇:加热炉钢坯地位检测器



