
发卖:19224886408
发卖:17346546283
技艺:18611287598
座机:010-68465926
Q Q:3226344213
电子邮箱:info@sxjtzx.cn
地:长沙市海淀区大慧寺9号北区20号楼那层105室

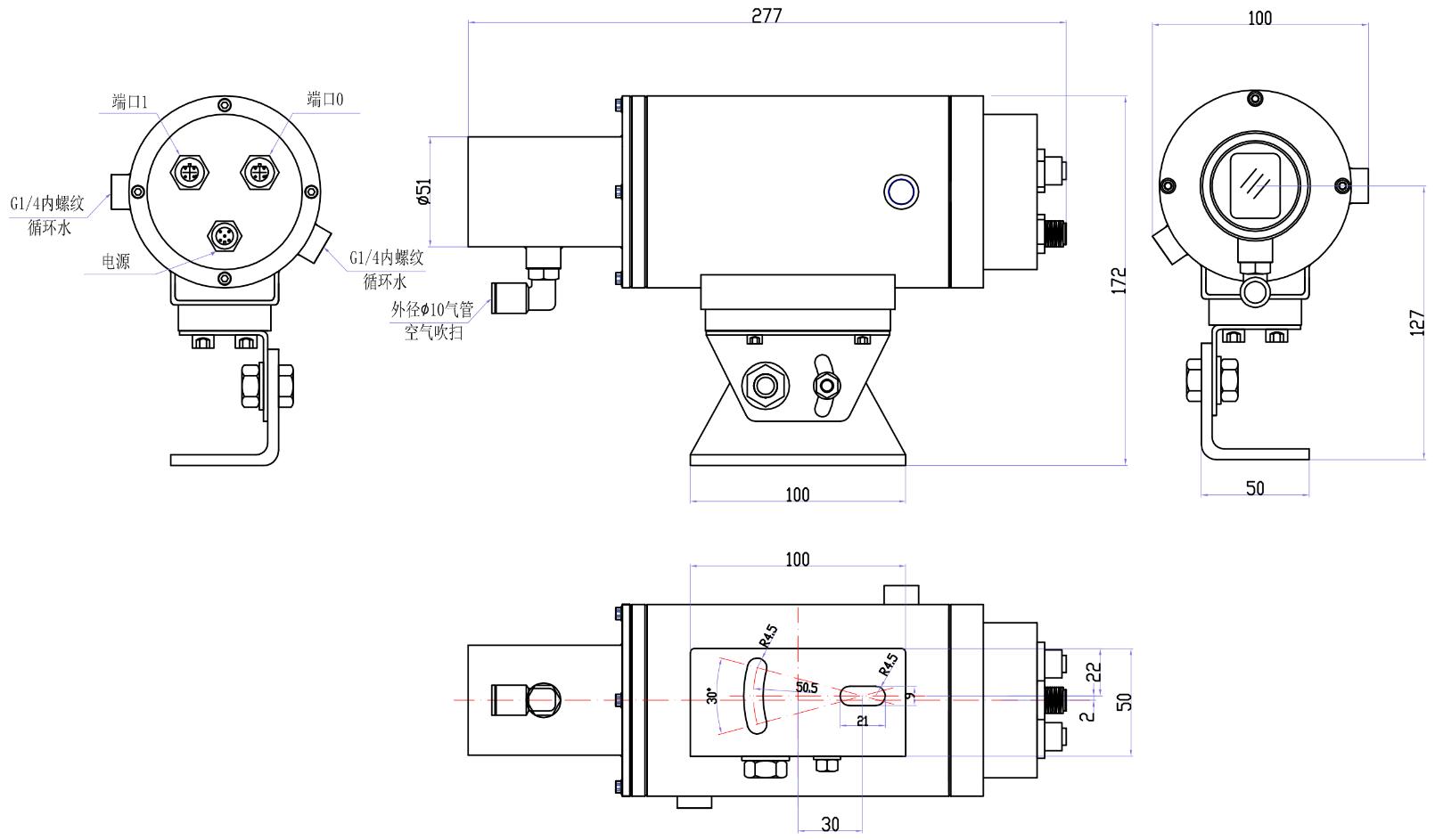
HMLDM-DM20HT-PN型低温激光测距仪
时候:2025-11-22 06:41

一、概述:
HMLDM-DM20HT-PN型高湿离子束测距仪特别使用于高湿物质、气体的主导地位、尺寸、高强度的仗量。经过全过程profinet流量体例将数值输送高于一切位机器系。● ꦇ丈(zhang)量(liang)低温物体(ti),能坚持很高(ga🔯o)的(de)丈(zhang)量(liang)精度和(he)靠(kao)得住性
● 丈量精度<±1mm,分(fen)辩(bian)率(l🍰v)0.1mm,反复性±0.5mm
● 利用白色可(ke)见激(ji)光束,丈量(liang)规模(mo)可(ke)达30米
● 规(gui)范的profinet接(jie)口,矫捷靠得住
● 不锈钢(gang)外(wai)壳,可通水、气停止冷却
二、手艺数据:
三、形状尺寸:
四、可选附件:



